请留下您宝贵的信息
  • 400-0379-586

产品中心

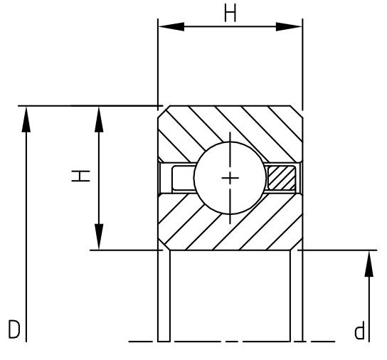
公制等截面薄壁深沟球轴承


  • 公制等截面薄壁深沟球轴承,C型深沟球轴承是内外圈带有超深沟(滚道沟槽深度=球直径的25%)的单列深沟球轴承。

bearing@hyzcgroup.com

18837917076

  • 产品详情


公制等截面薄壁深沟球轴承

C型深沟球轴承是内外圈带有超深沟(滚道沟槽深度=球直径的25%)的单列深沟球轴承。

公制深沟球轴承.png

8mm系列(无密封)   C型  深沟球轴承
轴承型号主要尺寸(mm)基本额定载荷(KN)
dDH径向静载荷径向动载荷
HC2508
HC2508UU
254182.972.50
HC5008
HC5008UU
506685.453.43
HC6008
HC6008UU
607686.433.76
HC7008
HC7008UU
708687.434.09
HC8008
HC8008UU
809688.424.39
HC9008
HC9008UU
9010689.404.68
HC10008
HC10008UU
100116810.404.97
HC11008
HC11008UU
110126811.395.23
HC12008
HC12008UU
120136812.375.50
HC13008
HC13008UU
130146813.375.76
HC14008
HC14008UU
140156814.366.01
HC15008
HC15008UU
150166815.346.25
HC16008
HC16008UU
160176816.336.49
HC17008
HC17008UU
170186817.326.72
HC18008180196818.316.95
HC19008190206819.057.11
HC20008200216820.047.33
HC25008250266824.998.36
HC30008300316829.949.30
HC32008320336831.929.65
HC34008340356833.909.96
HC36008360376835.6310.29




13mm系列   C型  深沟球轴承
轴承型号主要尺寸(mm)基本额定载荷(KN)
dDH径向静载荷径向动载荷
HC25132551135.075.24
HC50135076138.876.83
HC601360861310.777.60
HC701370961312.038.03
HC8013801061313.318.45
HC9013901161315.209.12
HC100131001261316.479.52
HC110131101361318.3810.14
HC120131201461319.6410.52
HC130131301561320.9010.88
HC140131401661322.8011.46
HC150131501761324.0711.80
HC160131601861325.3412.14
HC170131701961327.2412.68
HC180131802061328.5113.00
HC190131902161329.7713.33
HC200132002261331.6713.83
HC250132502761339.2815.66
HC300133003261346.2517.19
HC320133203461349.4117.87
HC340133403661352.5818.51
HC360133603861355.7419.15



20mm系列   C型  深沟球轴承
轴承型号主要尺寸(mm)基本额定载荷(KN)
dDH径向静载荷径向动载荷
HC25202565209.9811.54
HC502050902015.6813.82
HC6020601002017.1014.23
HC7020701102019.9515.42
HC8020801202021.3715.85
HC9020901302024.2416.95
HC100201001402025.6617.38
HC110201101502028.5118.42
HC120201201602031.3619.42
HC130201301702032.7819.83
HC140201401802035.6320.79
HC150201501902037.0521.18
HC160201602002039.9122.09
HC170201702102042.7622.47
HC180201802202044.1823.35
HC190201902302047.0424.21
HC200202002402048.4624.57
HC250202502902059.8627.65
HC300203003402071.2730.49
HC320203203602075.5431.49
HC340203403802079.8132.46
HC360203604002084.0933.40


  • 相关产品

英制等截面薄壁深沟球轴承

公制等截面薄壁深沟球轴承

  • 在线询价
声明 洛阳五福彩票522cc 网站地图