请留下您宝贵的信息
  • 400-0379-586

产品中心

内齿型四点接触球转盘轴承(HVSI20系列)


  • 精密转盘轴承依照滚动体结构,分为交叉滚子转盘轴承与四点接触球转盘轴承两个系列,依照齿轮形式,可分为不带齿圈、带内齿、带外齿三个类型,可以安装密封、配注油油杯、小范围调整游隙力矩大小、精度能达到P5/P4/P2等级,以适应各种类型的工况需求。我司支持外径20mm到外…

bearing@hyzcgroup.com

18837917076

  • 产品详情


精密转盘轴承依照滚动体结构,分为交叉滚子转盘轴承与四点接触球转盘轴承两个系列,依照齿轮形式,可分为不带齿圈、带内齿、带外齿三个类型,可以安装密封、配注油油杯、小范围调整游隙力矩大小、精度能达到P5/P4/P2等级,以适应各种类型的工况需求。

我司支持外径20mm到外径2000mm范围内,各种类型高精度轴承非标定制化设计加工,常年与多家高等院校、机械机床公司、机械研究所、科研机构合作,进行重大设备的联合开发,协助客户试样与批量生产。

转盘轴承可以同时承受较大径向负荷、轴向负荷和倾覆力矩等综合载荷,集支承、旋转、传动、固定等多种功能与一体,且结构紧凑、安装简便、维护方便,通常用于重载低速的场合,例如起重机械、挖掘机、回转台、风力发电机、天文望远镜和坦克炮塔等装置,应用十分广泛。

内齿型四点接触球转盘轴承(HVSI20系列)

[TE[9`735OW{MWF7]EGX[K8.png


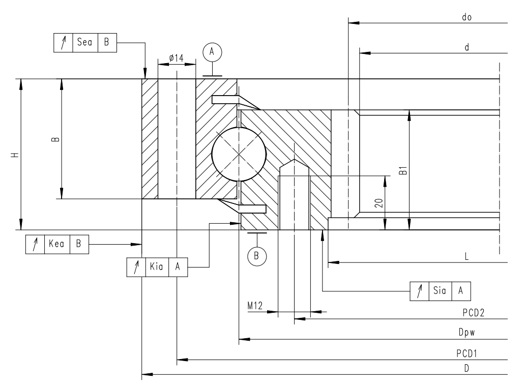
型号基本尺寸安装尺寸基本额定负荷游隙
外圈内圈轴向径向
外径D内径d外圈高度B内圈高度B1装配高H分度圆do模数M齿数Z孔中心距PCD1安装孔孔中心距PCD2安装孔动态Ca/KN静态Coa/KN动态Cr/KN静态Cor/KN径向轴向
HVSI20041448632544.544.55633556746024-φ1437524-M12深201695601112480~0.050~0.08
HVSI20054461644444.544.55645667659032-φ1450532-M12深201887401233250~0.050~0.08
HVSI20064471654644.544.55655869369036-φ1460536-M12深202008801313850~0.050~0.08
HVSI20074481664844.544.556660611079040-φ1470540-M12深2021110101384450~0.050~0.08
HVSI20084491673644.544.55675289489040-φ1480540-M12深2022211501455100~0.050~0.08
HVSI200944101684044.544.556856810799044-φ1490544-M12深2023112801515700~0.050~0.08
HVSI201094116698444.544.55610008125109148-φ14105548-M12深2024414901606600~0.050~0.08


  • 相关产品

内齿型四点接触球转盘轴承(HVSI20系列)

  • 在线询价
声明 洛阳五福彩票522cc 网站地图