请留下您宝贵的信息
  • 400-0379-586

产品中心

外齿型四点接触球转盘轴承(HVSA20系列)


  • 精密转盘轴承依照滚动体结构,分为交叉滚子转盘轴承与四点接触球转盘轴承两个系列,依照齿轮形式,可分为不带齿圈、带内齿、带外齿三个类型,可以安装密封、配注油油杯、小范围调整游隙力矩大小、精度能达到P5/P4/P2等级,以适应各种类型的工况需求。我司支持外径20mm到外…

bearing@hyzcgroup.com

18837917076

  • 产品详情


精密转盘轴承依照滚动体结构,分为交叉滚子转盘轴承与四点接触球转盘轴承两个系列,依照齿轮形式,可分为不带齿圈、带内齿、带外齿三个类型,可以安装密封、配注油油杯、小范围调整游隙力矩大小、精度能达到P5/P4/P2等级,以适应各种类型的工况需求。

我司支持外径20mm到外径2000mm范围内,各种类型高精度轴承非标定制化设计加工,常年与多家高等院校、机械机床公司、机械研究所、科研机构合作,进行重大设备的联合开发,协助客户试样与批量生产。

转盘轴承可以同时承受较大径向负荷、轴向负荷和倾覆力矩等综合载荷,集支承、旋转、传动、固定等多种功能与一体,且结构紧凑、安装简便、维护方便,通常用于重载低速的场合,例如起重机械、挖掘机、回转台、风力发电机、天文望远镜和坦克炮塔等装置,应用十分广泛。

外齿型四点接触球转盘轴承(HVSA20系列)

)~6X@K1IR1@W0L$48G~TTDE.png


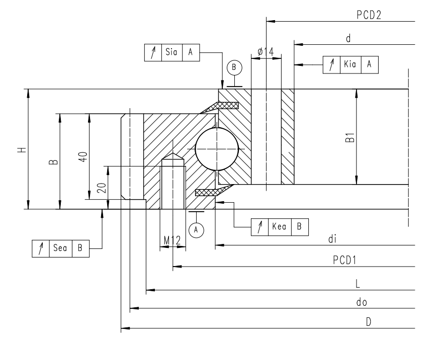
型号基本尺寸安装尺寸基本额定负荷游隙
外圈内圈轴向径向
外径D内径d外圈高度B内圈高度B1装配高H分度圆do模数M齿数Z孔中心距PCD1安装孔孔中心距PCD2安装孔动态Ca/KN静态Coa/KN动态Cr/KN静态Cor/KN径向轴向
HVSA200414503.334244.544.55649559945520-M12深2036824-φ141695601112480~0.050~0.08
HVSA202544640.347244.544.556630610558528-M12深2049832-φ141887401233250~0.050~0.08
HVSA200644742.357244.544.556732612268532-M12深2059836-φ142008801313850~0.050~0.08
HVSA200744838.167244.544.556828613878536-M12深2069840-φ1421110101384450~0.050~0.08
HVSA200844950.177244.544.556936811788536-M12深2079840-φ1422211501455100~0.050~0.08
HVSA2009441046.187244.544.5561032812998540-M12深2089844-φ1423112801515700~0.050~0.08
HVSA2010941198.1102444.544.55611848148113544-M12深20104848-φ1424414901606600~0.050~0.08


  • 相关产品

外齿型四点接触球转盘轴承(HVSA20系列)

  • 在线询价
声明 洛阳五福彩票522cc 网站地图