请留下您宝贵的信息
  • 400-0379-586

产品中心

不带齿型交叉滚子转盘轴承(HXSU14系列)


  • 精密转盘轴承依照滚动体结构,分为交叉滚子转盘轴承与四点接触球转盘轴承两个系列,依照齿轮形式,可分为不带齿圈、带内齿、带外齿三个类型,可以安装密封、配注油油杯、小范围调整游隙力矩大小、精度能达到P5/P4/P2等级,以适应各种类型的工况需求。我司支持外径20mm到外…

bearing@hyzcgroup.com

18837917076

  • 产品详情


精密转盘轴承依照滚动体结构,分为交叉滚子转盘轴承与四点接触球转盘轴承两个系列,依照齿轮形式,可分为不带齿圈、带内齿、带外齿三个类型,可以安装密封、配注油油杯、小范围调整游隙力矩大小、精度能达到P5/P4/P2等级,以适应各种类型的工况需求。

我司支持外径20mm到外径2000mm范围内,各种类型高精度轴承非标定制化设计加工,常年与多家高等院校、机械机床公司、机械研究所、科研机构合作,进行重大设备的联合开发,协助客户试样与批量生产。

转盘轴承可以同时承受较大径向负荷、轴向负荷和倾覆力矩等综合载荷,集支承、旋转、传动、固定等多种功能与一体,且结构紧凑、安装简便、维护方便,通常用于重载低速的场合,例如起重机械、挖掘机、回转台、风力发电机、天文望远镜和坦克炮塔等装置,应用十分广泛。

不带齿型交叉滚子转盘轴承(HXSU14系列)

[(Q58Z%{K4JURWBS`~17_6C.png


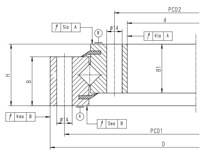
型号基本尺寸旋转精度安装尺寸基本额定负荷游隙(预载)
P5外圈内圈轴向径向
外径D内径d外圈高度B内圈高度B1装配高HKeaKiaSeaSia孔中心距PCD1安装孔孔中心距PCD2安装孔动态Ca/KN静态Coa/KN动态Cr/KN静态Cor/KN
HXSU14041448534344.544.5560.060.060.040.0446024-φ1436824-φ142295201462500.01~0.03
HXSU14054461447444.544.5560.070.060.040.0459032-φ1449832-φ142706801703300.01~0.03
HXSU14064471457444.544.5560.080.070.050.0569036-φ1459836-φ142908001853950.01~0.04
HXSU14074481467444.544.5560.080.080.050.0579040-φ1469840-φ143159302004450.01~0.04
HXSU14084491474444.544.5560.090.080.050.0589040-φ1479840-φ1434010502155100.01~0.04
HXSU140944101487444.544.5560.090.090.060.0699044-φ1489844-φ1436011702275800.01~0.05
HXSU1410941164102444.544.5560.110.110.070.07114048-φ14104848-φ1439013602466700.01~0.05


  • 相关产品

不带齿型交叉滚子转盘轴承(HXSU14系列)

  • 在线询价
声明 洛阳五福彩票522cc 网站地图