CSG(CSF)型谐波减速器轴承
- 外圈被分成两片,内圈为整体结构,安装时不需要法兰和轴承座,主要应用在CSG和CSF系列的各类减速器输出部位。
bearing@hyzcgroup.com
18837917076
- 产品详情
谐波减速器轴承包括刚性轴承和柔性轴承两大类型,刚性轴承包含四种系列,CSG(CSF)系列、CSD系列、SHG(SHF)系列、SHD系列,其命名方式采用减速器的命名;柔性轴承的命名为HYR。
谐波减速器用刚性轴承为交叉圆柱滚子结构,根据其使用场合分为外圈分体、内圈整体,外圈、内圈都是整体两大类;滚动体为圆柱滚子,互成90°垂直排列在V型滚道中,这种结构的轴承可同时承受轴向载荷、径向载荷和倾覆力矩等各个方向的载荷,轴承具有高精度、高刚性以及复合承载能力。
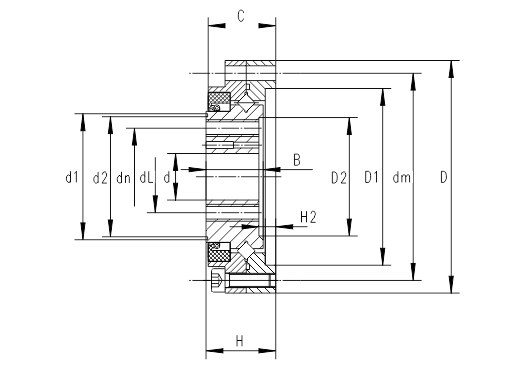
CSG(CSF)型(外圈分体、内圈整体)
外圈被分成两片,内圈为整体结构,安装时不需要法兰和轴承座,主要应用在CSG和CSF系列的各类减速器输出部位。


| 轴承型号 | 外形尺寸 | 外圈安装孔 | 内圈安装孔 | 内圈安装孔 | 基本额定载荷 | 质量 | 轴承型号 | |||||||||||||
| d | D | H | C | B | H2 | D1 | D2 | d1 | d2 | 中心径dm | 安装孔尺寸 | 中心径dn | 安装孔尺寸 | 中心径dL | 安装孔尺寸 | Cr | Cor | KG | ||
| 单位:mm | KN | KN | ||||||||||||||||||
| CSG(CSF)-14 | 11 | 55 | 16.5 | 16 | 13.5 | 4 | 41.8 | 29 | 29.8 | 28.4 | 49 | 8-φ3.5 | 23 | 6-M4 | 17 | 6-M4 | 7 | 9.1 | 0.21 | CSG(CSF)-14 |
| CSG(CSF)-17 | 10 | 62 | 16.5 | 16 | 13.5 | 4 | 49 | 34 | 33.8 | 33.8 | 56 | 10-φ3.5 | 27 | 6-M5 | 19 | 6-M5 | 7.6 | 10.7 | 0.25 | CSG(CSF)-17 |
| CSG(CSF)-20 | 14 | 70 | 16.5 | 16 | 13.5 | 4.5 | 56.5 | 41 | 40 | 40 | 64 | 12-φ3.5 | 32 | 8-M6 | 24 | 8-M5 | 8.5 | 13.4 | 0.3 | CSG(CSF)-20 |
| CSG(CSF)-25 | 20 | 85 | 18.5 | 18 | 16.5 | 3.5 | 67 | 535 | 52.6 | 52.6 | 79 | 16-φ3.5 | 42 | 8-M8 | 30 | 8-M6 | 13.8 | 21.6 | 0.5 | CSG(CSF)-25 |
| CSG(CSF)-32 | 26 | 112 | 22.5 | 21.5 | 19 | 4.5 | 90 | 68 | 68.6 | 68.6 | 104 | 16-φ4.5 | 55 | 8-M10 | 40 | 8-M8 | 12.5 | 35.6 | 1.1 | CSG(CSF)-32 |
| CSG(CSF)-40 | 32(24) | 126 | 24 | 22.5 | 21.5 | 4.5 | 105 | 86 | 81.2 | 81.2 | 117 | 20-φ5 | 68 | 8-M10 | 50 | 8-M10 | 25.9 | 41.4 | 1.5 | CSG(CSF)-40 |
| CSG(CSF)-50 | 40(32) | 157 | 31 | 30 | 28 | 5 | 131.6 | 103 | 102.6 | 102.6 | 147 | 16-φ5.5 | 84 | 8-M14 | 60 | 8-M14 | 49.5 | 85 | 5 | CSG(CSF)-50 |
| CSG(CSF)-65 | 52(44) | 210 | 39 | 37 | 35 | 7 | 176 | 132 | 132.6 | 132.6 | 198 | 20-φ6.6 | 110 | 8-M16 | 80 | 8-M16 | 74.6 | 133 | 8 | CSG(CSF)-65 |
- 在线询价





